Mila Copy Latch and Deadbolt Multipoint Gearbox – Lift Lever or Double Spindle
This Mila copy gearbox can be used to upgrade single spindle versions to double spindle. Fixing points are not threaded and will require the use of self-tapping screws.
Mila gearboxes are available in both latch-only and latch and deadbolt configurations, with a double or spindle spindle.
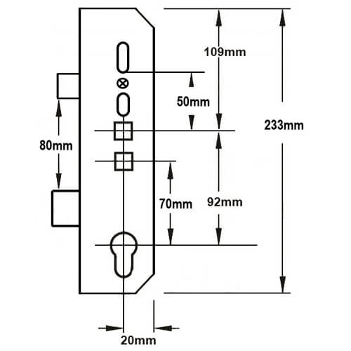
Latch-only versions are always single spindle and are available in 25mm, 28mm, 35mm, and 45mm backsets. Latch and deadbolt versions with a single spindle (92mm PZ) are available in 35mm and 45mm backsets and double spindles are available with a 35mm backset only. The double spindle lock features a 70mm/92mm PZ measurement.
Despite the various backsets and operation options, the dimensions of Mila gearboxes are largely the same. They measure 233mm high by the backset + 20mm wide. The latch measures 20mm high, the deadbolt is 30mm high and there is 80mm between the bottom of the latch and the top of the deadbolt.
Please note that some older locks feature an offset or cranked connector. This is only an issue when replacing a gearbox, rather than a full-length lock, but it’s an important point to consider. Replacement gearboxes are now only available with inline connectors. They are still compatible with older locks but it will be necessary to adapt the drive gear that runs behind the faceplate. Follow our technical guide on the process, but there is a square hole in the drive gear that needs to be cut to create a slot to ensure that the lock works.
We stock a range of associated products for Mila Coldseal gearboxes, including multipoint door locks, keeps, spindles, handles, and accessories.
Operation: Lift lever or double spindle
Latch reversal: Undo the screw in the side of the lock case to remove the latch, reverse, reinsert, and replace the screw.
To lock the door
1. On closing the door, the latch is automatically engaged.
2. Lift the handle up to engage the additional locking points.
3. Throw the deadbolt and lock the system by turning the key (on some brands, the deadbolt will be thrown by lifting the handle).
To unlock the door
1. Unlock the system by turning the key.
2. Push the handle downwards to disengage the locking points.
3. A further quarter turn of the key will retract the latch.
| Backset | 28840 |
|---|---|
| centres-pz | 28841 |
| Width | 31229 |
| height | 31302 |
| main-gearbox | 28846 |
| Operation | 30441 |
| spindle | 28848 |
| Type | Gearbox |
| Handing | 28964 |
| cylinder-type | 29324 |
| genuine-copy | 30443 |
| Packaging | 30444 |
| Brand | 31303 |
























Reviews
There are no reviews yet.