Roto H500 MVD500 Elite Genuine Multipoint Gearbox – Lift Lever
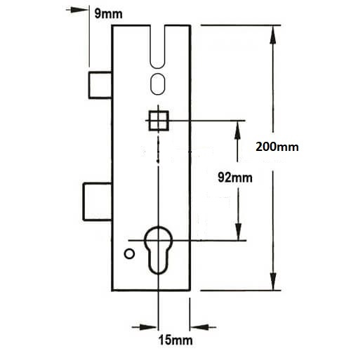
Elite gearboxes are available as a 35mm single spindle lock or with a 35mm or 45mm double spindle. Gearboxes measure 200mm high x backset + 19mm. Be sure to account for 2mm for the faceplate when measuring the backset.
Gearbox deadbolts project 20mm and are 32mm high. The latch is 30mm high and projects 10mm. There is 63mm between the bottom of the latch and the top of the deadbolt.
Centres are positioned at 62mm and 92mm, with the top spindle being 122mm from the bottom of the case. Single spindle locks have a round hole where the second spindle would normally be located. The gearbox is pierced to accept a bolt through fixing 19mm from the top spindle, and the slot above that, for fixings, is 42mm above the spindle.
We stock a range of associated products for Elite Standard gearboxes, including multipoint door locks, keeps, spindles, handles, and accessories.
Note: Some variants will be stamped Inliten – 45mm is currently only available in a double spindle – Part Number ELITECASE45 however if there is a screwhole under the lever on the existing handles then the handle set will need replacing and screw holes repositioned.
Operation: Lift Lever
Latch reversal: Undo the screw in the side of the lockcase adjacent to the latch, Remove the latch. Reverse, reinsert and replace screw.
To lock the door
1. Lift the handle upwards to engage the locking points.
2. Lock the locking points and main deadbolt (if present) by turning the key.
To unlock the door
1. Unlock the system by turning the key.
2. Push the handle downwards to disengage the locking points and retract the latch.
| Backset | 28840 |
|---|---|
| centres-pz | 29273 |
| Width | 31430 |
| height | 29872 |
| main-gearbox | 28846 |
| Operation | 29767 |
| spindle | 29406 |
| Type | Gearbox |
| Handing | 28964 |
| cylinder-type | 29324 |
| genuine-copy | 31231 |
| Packaging | 30444 |
| Brand | 32154 |

























Reviews
There are no reviews yet.